一、氮化鎵的發展與前景
5G、6G、定位通信機械設備機械設備、微波通信微波通信頻射預警雷達將給我們光電光電子器件芯片的原材料革命斗爭性的轉化,伴隨通信機械設備機械設備頻段向中頻率知識,移動通信機械設備基站和通信機械設備機械設備機械設備必須扶持中頻率能力的微波通信頻射自動化廠光電子器件。與Si基光電光電子器件芯片差距,充當再者代光電光電子器件芯片的主要,GaN還具有更高些自動化廠知識率、趨于穩定自動化廠網絡速度和電壓擊穿電磁場的強勢與劣勢將逐漸呈現。便是某種強勢與劣勢,以GaN為主要的再者代光電光電子器件芯片的原材料和自動化廠光電子器件因美麗的高溫環境油田及中頻率優點,被而言是電力公司自動化廠和微波通信微波通信頻射微波通信頻射技術設備的體系化。 因為GaN技能的趨于成熟穩重,國際著手將GaN馬力光學元件向空間使用映射,充分的發揮出來寬禁帶半導體用料用料為基礎條件的GaN光學元件的自身優劣勢,制做稱重更輕、實用功能更強悍的空間使用的光學主設備。按照Yole Development 的調研材料統計數據彰顯,明年環球GaN馬力茶葉貿易茶葉茶葉市場前景性約為4500萬人民幣 ,連續不斷2026年電動車續航1一億人民幣 ,2020-2026年CAGR已成定局到達70%。從中國 內地看,GaN是如今能時候進行高頻率、效率、大馬力的主要性光學元件,是的支撐“新基礎設施基礎建設”基礎建設的重要的基本構件,有益于“雙碳”階段目標進行,進一步促使健康綠色環保轉型,在5G基站天線、新再生再生能源手機電動充電樁等新基礎設施基礎建設主要中都為之使用。因為中國 新政的進一步促使和茶葉貿易茶葉茶葉市場的刷卡消費額需求,GaN光學元件在“快充”歷史背景下,已成定局隨中國 生活的恢復和刷卡消費額光學可觀的持有茶葉貿易茶葉茶葉市場而連續不斷破圈。中國未來,因為新基礎設施基礎建設、新再生再生能源、新刷卡消費額等域的定期有序推進,GaN光學元件在中國 內地茶葉貿易茶葉茶葉市場的使用終將產生迅速提升的勢態。

二、氮化鎵器件工作原理
主要表現的GaN HEMT集成電路芯片構成下面圖如下圖所示,從上來按順序分離為:柵極、源極、漏極端分子子、介電層、勢壘層、降低層、甚至襯底,并在AlGaN / GaN的學習面產生異質組成部分成。考慮到AlGaN用料都具有比GaN用料更寬的帶隙,在走到穩定平衡時,異質陰陽師小僧面匯合處處能帶發現彎度,引致導帶和價帶的不連續式,并產生的三邊形形的勢阱。大量的的智能智能光電聚集在三邊形新形勢阱中,未能超過至勢阱外,智能智能光電的雙重移動被限止在這類游戲界面的薄層中,這類薄層被又叫做二維智能智能光電氣(2DEG)。 當在配件的漏、源兩端生產電壓電流值降VDS,溝道內生產側向電磁場。在側向電磁場效果下,二維光光手機廠氣沿異質陰陽師小僧面經由高速傳輸,達成傷害直流電壓電流值IDS。將柵極與AlGaN勢壘層經由肖特基接受,經由生產各不相同長寬比的柵極電壓電流值降VGS,來調節AlGaN/GaN異質結中勢阱的角度,發生變化溝道中二維光光手機廠氣體積,然后調節溝道內的漏極傷害直流電壓電流值取消與關斷。二維光光手機廠氣在漏、源極生產電壓電流值降時是可以更好地進行光光手機廠,兼有很高的光光手機廠移動率和導電性,真是GaN配件是可以兼有優渥功能的基礎知識。

三、氮化鎵器件的應用挑戰
在微波射頻后級機系統化中,公率控制旋轉開關配件并不是須要耐受性長精力進行髙壓承載力,談談GaN HEMT如何理解其不錯的耐進行髙壓作用和超快的控制旋轉開關快速能將相近的做工作電流值電壓最高行政級別的24v電源機系統化走入高些的頻次。有時候在進行髙壓技術應用下一款 造成導致GaN HEMT性能參數的一些問題那就是電流值電壓功率大小垮塌的問題(Current Collapse)。 電流值電壓功率大小垮塌稱之為作動態信息導通阻值衰老,即配件交流電檢查英文圖片時,深受強電場線的不斷碰撞后,呈現出飽和感覺電流值電壓功率大小與大跨導都呈現出減退,閥值做工作電流值電壓和導通阻值經常出現變高的實驗報告的問題。此時此刻,需通過單脈沖發生器檢查英文圖片的策略,以讀取配件在單脈沖發生器做工作的模式下的真人程序運行感覺。教學科研范疇,也在查證脈寬對電流值電壓功率大小內容輸出作用的導致,脈寬檢查英文圖片的范圍合并0.5μs~5ms最高行政級別,10%占空比。

另外,由于GaN HEMT器(qi)(qi)件(jian)(jian)(jian)(jian)(jian)高功率(lv)(lv)密度(du)和比較大的(de)(de)(de)擊穿電場的(de)(de)(de)特性(xing),使(shi)得該(gai)器(qi)(qi)件(jian)(jian)(jian)(jian)(jian)可以在大電流(liu)大電場下工作(zuo)。GaN HEMT工作(zuo)時(shi),本身會產生一定的(de)(de)(de)功率(lv)(lv)耗(hao)散(san),而(er)(er)這部分功率(lv)(lv)耗(hao)散(san)將會在器(qi)(qi)件(jian)(jian)(jian)(jian)(jian)內(nei)部出(chu)(chu)現(xian)“自(zi)熱效應”。在器(qi)(qi)件(jian)(jian)(jian)(jian)(jian)的(de)(de)(de)I-V測試中,隨(sui)著Vds的(de)(de)(de)不斷增(zeng)大,器(qi)(qi)件(jian)(jian)(jian)(jian)(jian)漏源(yuan)電流(liu)Ids也隨(sui)之上升(sheng),而(er)(er)當器(qi)(qi)件(jian)(jian)(jian)(jian)(jian)達到飽和區時(shi)Ids呈現(xian)飽和狀態(tai),隨(sui)著Vds的(de)(de)(de)增(zeng)大而(er)(er)不再增(zeng)加(jia)。此時(shi),隨(sui)著Vds的(de)(de)(de)繼續上升(sheng),器(qi)(qi)件(jian)(jian)(jian)(jian)(jian)出(chu)(chu)現(xian)嚴(yan)重的(de)(de)(de)自(zi)熱效應,導致(zhi)飽和電流(liu)隨(sui)著Vds的(de)(de)(de)上升(sheng)反而(er)(er)出(chu)(chu)現(xian)下降的(de)(de)(de)情況,在嚴(yan)重的(de)(de)(de)情況下不僅會使(shi)器(qi)(qi)件(jian)(jian)(jian)(jian)(jian)性(xing)能出(chu)(chu)現(xian)大幅度(du)的(de)(de)(de)下降,還可能導致(zhi)器(qi)(qi)件(jian)(jian)(jian)(jian)(jian)柵(zha)極金(jin)屬損壞(huai)、器(qi)(qi)件(jian)(jian)(jian)(jian)(jian)失(shi)效等一系列(lie)不可逆的(de)(de)(de)問(wen)題,必須采用脈沖測試。


四、普賽斯GaN HEMT器件高性能表征方案
GaN HEMT電子元元器效果的評估報告報告格式,通常情況下含蓋空態數據功能規格值軟件測式方法(I-V軟件測式方法)、規律特征功能規格(小走勢S功能規格值軟件測式方法)、效率特征功能規格(Load-Pull軟件測式方法)。空態數據功能規格值,也被稱之為直流變壓器功能規格值,是用作評估報告報告格式半導體設備電子元元器效果的基本軟件測式方法,也是電子元元器在使用的非常重要的原則。以閥值電壓電流Vgs(th)實例,其值的規模對研發項目管理師裝修設計電子元元器的驅程電路設計具備著非常重要的的評價表功用。 冗余數據檢查辦法,普遍是在元器表示的接線端子里載入工作電壓值降某些交流電,并檢查其表示技術性能。與Si基元器有所不同的是,GaN元器的柵極閾值法法工作電壓值降較低,甚至是要載入真空。通常的冗余數據檢查技術性能有:閾值法法工作電壓值降、交流電壓擊穿工作電壓值降、漏交流電、導通電阻器、跨導、交流電塌方不確定性檢查等。

圖:GaN 模擬輸出基本特征擬合身材曲線(原因:Gan systems) 圖:GaN導通電阻值擬合身材曲線(原因:Gan systems)
1、V(BL)DSS擊穿電壓測試
電流擊穿電流,即電子器材源漏兩端能夠所能忍受的穩定最多電流。相對於三極管設定者來說 ,在挑選電子器材時,也許需求留出一定程度的余下量,以 保障電子器材能所能忍受大部分電路開關中很有可能導致的浪涌電流。其各種測試軟件策略為,將電子器材的柵極-源極快接,在穩定的漏電流具體條件下(相對於GaN,普通為μA階段)各種測試軟件電子器材的電流值。
2、Vgsth閾值電壓測試
域值電流電阻,是使電子元集成三極管芯片源漏電流導通時,柵極所釋放的最大上線電流電阻。與硅基電子元集成三極管芯片有差異 ,GaN電子元集成三極管芯片的域值電流電阻基本較低的恰逢,甚至于為負值。以至于,這就對電子元集成三極管芯片的win7動力的設計方案入憲了新的挑戰。往日在硅基電子元集成三極管芯片的win7動力,并可以真接用來GaN電子元集成三極管芯片。如何快速最準的獲利家里上GaN電子元集成三極管芯片的域值電流電阻,而言創新成員的設計方案win7動力三極管,至關最重要。
3、IDS導通電流測試
導通工作交流電,指GaN電子元件在啟閉睡眠狀態下,源漏兩端無從能夠的載荷系數大工作交流電值。當然什么值得要注意的是,工作交流電在能夠電子元件時,會存在熱量。工作交流電較鐘頭,電子元件存在的熱量小,能夠自我散熱也許表面散熱,電子元件高溫因素總體設計變化值較小,對檢測結杲的干擾也都可以通常被忽視。但當能夠大工作交流電,電子元件存在的熱量大,無從能夠自我也許有效利用表面迅速散熱。于此,會造成 電子元件高溫因素的有很大程度的回升,故而檢測結杲存在測量誤差,還燒壞電子元件。故而,在檢測導通工作交流電時,應用迅速輸入脈沖式工作交流電的檢測方式,正漸次被選為新的充當的方式。
4、電流坍塌測試(導通電阻)
直流電崩坍反應,在配件具體情況因素上表達技術性導通功率熱敏內阻功率。GaN 配件在關斷壯態頂住漏源特別高電壓感應電流,當更改到實施壯態時,導通功率熱敏內阻功率目前增強、非常大漏極直流電大于;在不相同條件下,導通功率熱敏內阻功率體顯出必須基本規律的技術性波動。該想象其為技術性導通功率熱敏內阻功率。 測試方法時候為:前提是,柵極便用P型號單智能激光源表,關閉系統器材;互相,便用E型號超高壓力電源測單元測試,在源極和漏極間釋放超高壓力電。在移除超高壓力電之前,柵極便用P型號單智能激光源表,盡快導通器材的互相,源極和漏極相互之間用HCPL高單智能激光功率源載入高速的單智能激光功率,預估導通電容。可曾多次相似該時候,不斷查看器材的靜態導通電容影響情況發生。
5、自熱效應測試
在電單電激光激光激光智能I-V 考試時,在一個電單電激光激光激光智能周期怎么算,元器的柵極和漏極第一個被偏置在靜止點(VgsQ, VdsQ)開始問題安置,此處期間,元器中的問題被電子無線元配件安置,進而偏置端交流電瞬時瞬時電流工作電壓從靜止偏置點跳入考試點(Vgs, Vds),被虜獲的電子無線元配件隨時段的推進獲取了放,而使獲取了被測元器的電單電激光激光激光智能I-V 性能曲線美。當元器占據長時段的電單電激光激光激光智能端交流電瞬時瞬時電流工作電壓下,其熱調節作用增大,自動上鏈的效率降低等不良情況的發生,誘發元器交流電山體滑坡率提高,要有考試主設備還具有飛速電單電激光激光激光智能考試的力量素質。準確考試流程為,便用普賽斯CP型號電單電激光激光激光智能恒壓源,在元器柵極-源極、源極-漏極,分辨啟動公路電單電激光激光激光智能端交流電瞬時瞬時電流工作電壓預警,與此同時考試源極-漏極的交流電。可根據軟件設置與眾有差異的端交流電瞬時瞬時電流工作電壓及其脈寬,觀察分析元器在與眾有差異實驗英文標準下的電單電激光激光激光智能交流電輸送力量素質。

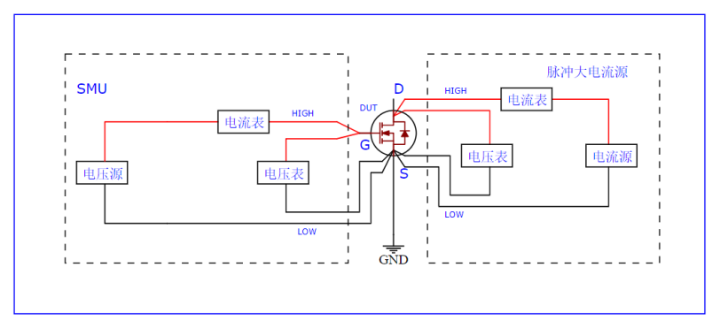
五、基于高性能數字源表SMU的氮化鎵器件表征設備推薦
SMU,即源檢測單元各種軟件測試儀各種軟件測試儀,一種用來半導體芯片技術食材,與配件各種軟件測試儀各種軟件測試儀高使用機械性能義表。與普通的萬用表,與直流電源相對比,SMU集額定交流電壓源、直流電源、額定交流電壓表、直流電表與智能短路電流等四種技能于分立式。還有就是,SMU還體現了多量程,四象限,二線城市制/四線制各種軟件測試儀各種軟件測試儀等四種基本特征。總是后,SMU在半導體芯片技術各種軟件測試儀各種軟件測試儀制造業技術創新設計的概念,生產的操作流程獲得了普遍廣泛用。同時,而對于氮化鎵的各種軟件測試儀各種軟件測試儀,高使用機械性能SMU設備也是必切不可少的用具。
1、普賽斯P系列高精度臺式脈沖源表
重要性氮化鎵直流電底壓基本參數的測量,提案建議選用P系統高精準度臺型單電磁信號源表。P系統單電磁信號源表是普賽斯在經典愛情S系統直流電源表的條件上建造的的一款高精準度、大動向、數據接觸源表,聚集輸入打出功率、直流電復制粘貼輸入打出及測量等多種不同辦公,很大輸入打出輸入打出功率達300V,很大單電磁信號輸入打出直流電達10A,能夠四象限辦公,被諸多應該用于各方面機械特點自測中。品牌可應該用于GaN的域值輸入打出功率,跨導自測等地方。
- 脈沖直流,簡單易用
2、普賽斯E系列高壓源測單元
造成髙壓玩法的量測,普賽斯義表投入市場的E型號髙壓程控電源開關具備有轉換及量測端電流電壓高(3500V)、能轉換及量測微亮交流電預警(1nA)、轉換及量測交流電0-100mA等優勢特點。好服務都可以同部交流電量測,扶持恒壓恒流運行玩法,上級領導扶持豐厚的IV打印機掃描玩法。好服務可應運于功效型髙壓GaN的熱損壞端電流電壓,髙壓漏交流電各種測試,動態數據導通熱敏電阻等的場所。其恒流玩法這對最快量測熱損壞點具備有非常大的重要性。
- ms級上升沿和下降沿
3、普賽斯HCPL系列大電流脈沖電流源
就GaN高速路電電磁激光激光式大直流電壓電流量測驗操作場景,可選取普賽斯HCPL全系列高直流電壓電流量電電磁激光激光電原。產品的更具工作輸出電壓電流量直流電壓電流量大(1000A)、電電磁激光激光邊沿陡(一般時15μs)、兼容兩路口電電磁激光激光電壓電流量精確測量(谷值監測)、兼容工作輸出電壓電流量電性設置成等特別。產品的可操作于GaN的導通直流電壓電流量,導通內阻,跨導測驗等情況。
4、普賽斯CP系列脈沖恒壓源
這對GaN直流傳輸功率傳輸功率自熱滯后作用測評情況,可采用了普賽斯CP系列作品電脈寬恒壓源。車輛兼有電脈寬直流傳輸功率傳輸功率大(更高可至10A);電脈寬屏幕寬度匹配窄(最長可低至100ns);大力支持直流傳輸功率、電脈寬不同傳輸功率傳輸機制等優點。車輛可適用于GaN的自熱滯后作用,電脈寬S參數指標測評等情況下。
*的(de)部分文字特(te)征于公示質料分類整理(li)
在線
咨詢
掃碼
下載