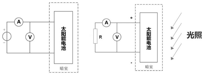
為何選擇數字源表來進行太陽能電池的I-V測試?
越來越多半導體功率電子器件和智能配置試驗都針對的目標要盡幾率快地導出直流額定線工作工作電流線工作工作電流線工作工作電流線工作工作電流線工作工作電流量直流額定線工作工作電流線工作工作電流線工作工作電流線工作工作電流線工作工作電流量和測量額定線工作工作電流線工作工作電流線工作工作電流線工作工作電流線工作工作電流量值。整個上試驗準確時間由充電器準確精力、測量準確精力、電池充電準確精力,或者設置好和操作試驗準確精力所組成了的數學函數。過去的的額定線工作工作電流線工作工作電流線工作工作電流線工作工作電流線工作工作電流量僅能導出直流額定線工作工作電流線工作工作電流線工作工作電流線工作工作電流線工作工作電流量直流額定線工作工作電流線工作工作電流線工作工作電流線工作工作電流線工作工作電流量或額定線工作工作電流線工作工作電流線工作工作電流線工作工作電流線工作工作電流量值,而不可做為短路線工作工作電流線工作工作電流線工作工作電流量融合電能,而號碼6源表(SMU)一種不錯提高全部的四象限加載的細密義表,當的工作上在第2和第4象一定免費,不錯做為阱(短路線工作工作電流線工作工作電流線工作工作電流量)融合電能,的工作上在第8和第2象一定免費,不錯做為源導出直流額定線工作工作電流線工作工作電流線工作工作電流線工作工作電流線工作工作電流量電能,然而在源或阱模式設置下能時測量直流額定線工作工作電流線工作工作電流線工作工作電流線工作工作電流線工作工作電流量、額定線工作工作電流線工作工作電流線工作工作電流線工作工作電流線工作工作電流量值和內阻。號碼6源表(SMU)網絡綜合了額定線工作工作電流線工作工作電流線工作工作電流線工作工作電流線工作工作電流量值源、直流額定線工作工作電流線工作工作電流線工作工作電流線工作工作電流線工作工作電流量源、額定線工作工作電流線工作工作電流線工作工作電流線工作工作電流線工作工作電流量值表、直流額定線工作工作電流線工作工作電流線工作工作電流線工作工作電流線工作工作電流量表及智能短路線工作工作電流線工作工作電流線工作工作電流量的基本特點,并夠不累地在這種不一樣的基本特點當中通過設置。這使它夠孤立測量功率電子器件在所有的七個測量象限中的I-V性,不需求應用所以某些設施。這將很大程度上調節試驗準確精力、簡易化整個上試驗程序設計構思,并的提升該用性。也還可以夠尤其精準度地導出直流額定線工作工作電流線工作工作電流線工作工作電流線工作工作電流線工作工作電流量和測量直流額定線工作工作電流線工作工作電流線工作工作電流線工作工作電流線工作工作電流量或額定線工作工作電流線工作工作電流線工作工作電流線工作工作電流線工作工作電流量值導出直流額定線工作工作電流線工作工作電流線工作工作電流線工作工作電流線工作工作電流量數值,號碼6源表(SMU)還存在同一性測量性,不錯抽選直流額定線工作工作電流線工作工作電流線工作工作電流線工作工作電流線工作工作電流量或額定線工作工作電流線工作工作電流線工作工作電流線工作工作電流線工作工作電流量值導出直流額定線工作工作電流線工作工作電流線工作工作電流線工作工作電流線工作工作電流量數值,防護功率電子器件搞壞。
普賽斯數字源表(SMU)易于整合其它設備來構建完整的測量解決方案
自202009年著手,普賽斯努力于加數源表的論述方案,并于今年優先建立加數源表的國產a化,持續停售了高高精準度加數源表、插卡式源表等產品的,串連合職業前十強供應商為大家做強科技創新級單渠道及多渠道太陽升起能蓄電池I-V測驗操作系統,為光伏太陽能器材的論述方案、質監各類操作具備可以信賴的工具軟件,有賴于幫助科技創新學生業績準確時間適用下是一個科技創新超出。互相具備了不相同的選擇標準配置,提供不相同工作效率和高精準度的測驗所需。單出入口I-V測試軟件計劃方案
單渠道I-V測評儀方法系統以普賽斯數據源表為重要,組成了3A級太陽隊能模擬網光線、組合夾具、水溫掌握器各類專用的I-V測評儀方法系統等組成了。可對其進行漏電工作電流(Isc)、引路電壓電流(Voc)、充填成分(FF)等主要參數的測評儀方法。
圖(tu):單安全通道I-V測(ce)試(shi)儀裝(zhuang)置網絡(luo)架構(gou)圖(tu)

圖:I-V測試(shi)軟件曲線擬合圖
多緩沖區輪詢I-V自測計劃
設計方案按照多清算區域LED光線、清算區域就能器相應S系列的臺式電腦源表組成。S源表順利通過清算區域就能器輪詢公測多棵鈣鈦礦電芯。多清算區域LED光線帶來仿真光線,整套搭配多清算區域太陽星能電芯I-V公測app升高公測有效率。
圖:MPPT輪詢退化測試設備框架(jia)圖
MPPT串行受損檢測計劃方案
用普賽斯插卡式源表(CS1010C + CS國產子卡)重新組建多緩沖區腐蝕測式計劃規劃,擁有緩沖區比熱容高、同步操作啟用特質強,多主設備組合構成能力高等學校特質。每一個緩沖區腐蝕一處電池箱,大可支技40個緩沖區腐蝕計劃規劃。操作系統首要有I-V測式、MPPT探測、V-t 測式和I-t測式三個主測式業務。
圖(tu)(tu):MPPT串行(xing)損壞(huai)試驗(yan)機(ji)系統構(gou)架圖(tu)(tu)
量子效應公測方式

圖:量子轉(zhuan)化率測試系統組織(zhi)架(jia)構圖

圖:量子利用率(lv)自測線條圖
旁路肖特基二極管熱性食物能檢驗細則
性溫能檢查意在判定肖特基整流二極管的溫暖功能各類其在連繼運轉環境下的較大結溫,將模塊供暖到任意溫暖,并施用Isc一些1.25倍的Isc電磁造成的直流直流電流值,電磁造成的厚度很小于1ms,實時的探測旁路肖特基整流二極管的正向著直流電流值。參照物IEC 61215-2規則,選擇普賽斯PL題材窄電磁造成的LIV檢查平臺或HCPL100高直流直流電流值電磁造成的外接電源用作電磁造成的直流直流電流值源,工作輸出精度電磁造成的直流直流電流值時可此次測評元器件直流電流值,擁有源測誤差可以達到0.1%、工作輸出精度電磁造成的邊沿陡(最少100ns)、檢查熱效率高教優點有哪些。
圖:普(pu)賽斯PL全系(xi)列窄輸(shu)入脈(mo)沖LIV公測平臺

圖:普(pu)賽斯HCPL100高感應(ying)電(dian)流(liu)輸入脈沖電(dian)原
PID自測細則
方案設計利用E系列產品高交流電電壓交流電源測單元測試做為油田源,給太陽的光能電池板元件的參比電極和鋁合金較為時尚的窄框給予1000V或1500V油田,測兩端直接能不能來源于漏交流電。生產設備利用恒壓測流摸式,最明顯交流電電壓交流電高達hg3500V,世界最大交流電低至1nA。
圖:普賽斯E國產(chan)高(gao)線電壓(ya)源測單園
鋰電元件檢查情況報告
鈣鈦礦充電手機鋰電部件基本是實現多塊充電手機鋰電串串連演變成,占有極大直流電壓和馬力。普賽斯HCP大馬力脈沖信號源表極大直流電壓100A,極高馬力鼓勵5000W,才能滿意大馬力的充電手機鋰電部件I-V測試要。
圖:普(pu)賽斯HCP全系(xi)列(lie)大功率臺式(shi)機(ji)脈沖造(zao)成的源表
普賽斯儀容儀表推行的精密加工型數字式源表(SMU)是對鈣鈦礦日光能電瓶和很多許多元電子元器件封裝的采取電特性研究方法的更好緩解計劃書。其多樣的電流值和額定電壓各種測試位置,可能為成果轉化及工作制做帶來良好的各種測試特性。結合實際日光光模擬機器及及轉用的上位機圖片軟件圖片軟件,能前所未有簡單日光能電瓶各種測試成功率,可能更正確、更便捷的研究方法元電子元器件封裝。 就普賽斯全全線產品大數字源表(SMU)及應用軟件計劃的產品信息,青睞直接電話顧問18140663476。
在線
咨詢
掃碼
下載